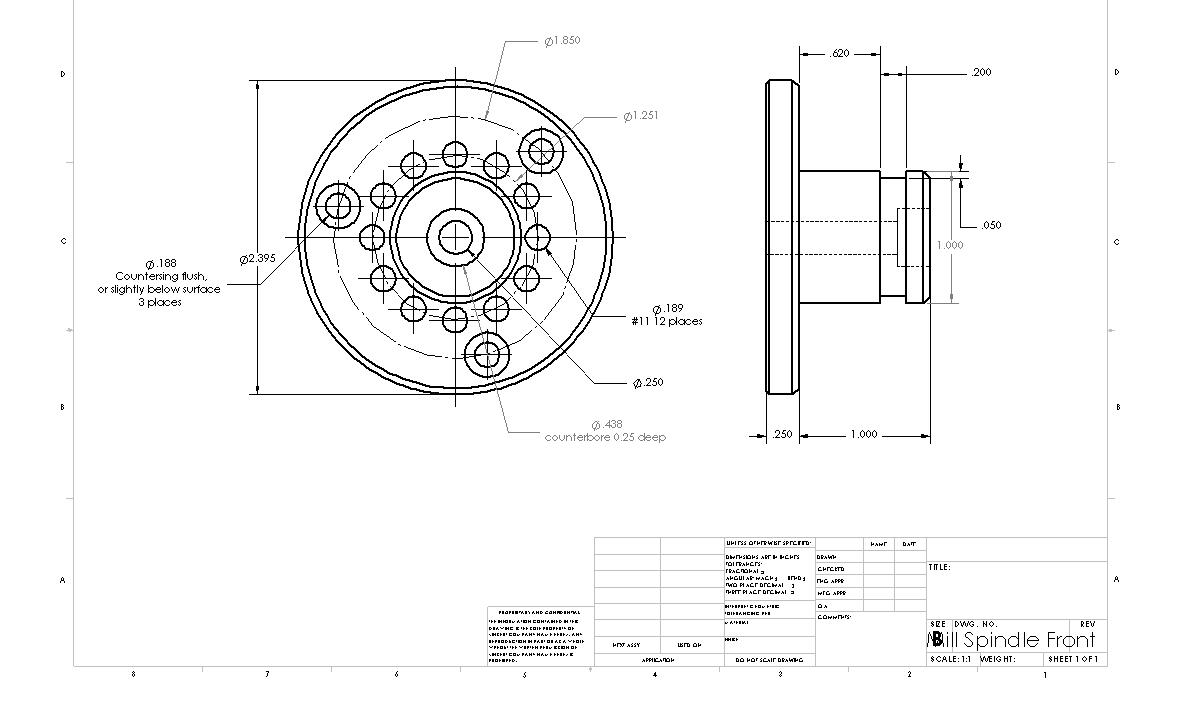
Spindle Front